三亚老牛影院在线观看熊猫影视,蓝色战衣女主是谁,天美传媒春节回家相亲吴宜芳

产品目录
联系报价
紧急热线
联系销售
服务与解决方案
翼凯机械为耐磨材料解决方案专家。我们竭诚为您产线提供一站式耐磨材料解决方案服务和科学解决方案,同时为您节省成本以及精力。向您提供专业的解决方案是我们的强项。上海翼凯机械设备有限公司积极带给您国内外的材料技术解决方案,同时还为您提供专业的技术指导以及支持服务。
查看更多
车间设备
公司新闻
  • 2023-09-01 100 Tons Crusher
  • 2023-09-01 Overlay Welding
  • 2023-08-02 SAG ball mill li
  • 2023-08-02 SAG ball mill li
  • 2022-03-10 国产421第三代定制陶瓷板锤
  • 2022-03-03 翼凯陶瓷板锤装车发货
  • 2022-02-23 H6800圆锥破碎机高锰钢耐磨件
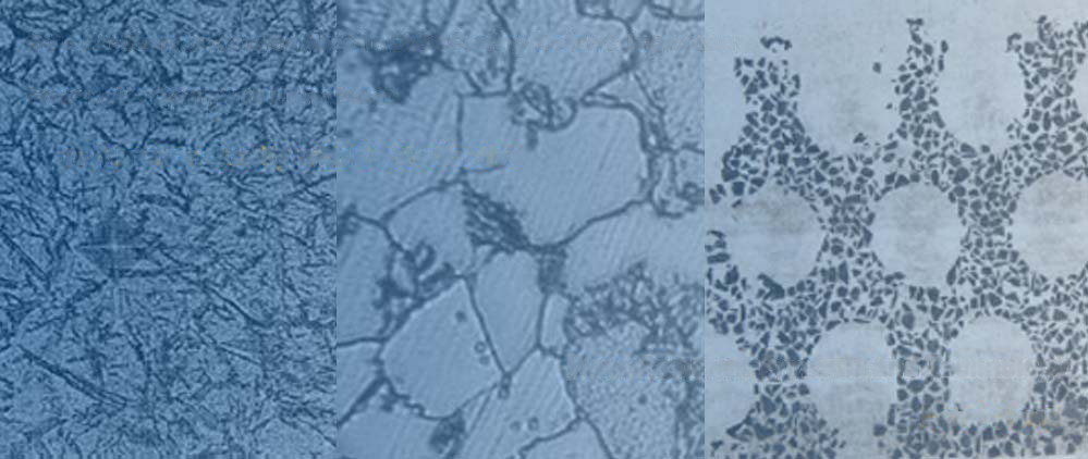
质量控制
查看更多>>
我们严肃认真对待产品质量!翼凯机械质量控制体系控制产品原材料,化成成份,尺寸精度,金相组织,产品内部以及表面质量等。产品的质检标准严格按照国标GB,也可以美标ASTM等其他执行并验收。
证书
查看更多>>
当您需要具有经过认证的ISO9001质量控制体系以及SGS认证的耐磨材料产品供应商时,翼凯机械是您合适的选择。我们有强烈的质量控制意识以及完善的质量控制体系。 所有的产品合格后,方可入库发货。
客户反馈
查看更多>>
翼凯机械始终与客户保持良好的沟通,听取他们对我们产品质量的反馈。我们希望通过客户反馈来完善我们的产品 … 查看更多
韩国做aj的视频大全 秦先生第二部颜值爆表白富美 9分27秒扣鱼鳃
巴彦县 巩义市 来宾市 信宜市 布尔津县 石门县
宝鸡市 呼和浩特市 海丰县 霞浦县 仙游县 新乐市
卫辉市 康定县 新田县 双峰县 姚安县 皋兰县
泛站蜘蛛池模板: 开阳县| 成武县| 陆丰市| 靖西县| 六安市| 阳谷县| 大田县| 象山县| 芦溪县| 滕州市| 保山市| 洞头县| 体育| 宜章县| 广汉市| 会宁县| 鄄城县| 合肥市| 云南省| 巴林右旗| 无为县| 福州市| 仪征市| 舞阳县| 饶阳县| 灵石县| 汉寿县| 铁岭县| 咸阳市| 长岛县| 徐闻县| 临泽县| 沙雅县| 唐山市| 青州市| 贞丰县| 凤庆县| 旺苍县| 搜索| 永州市| 河东区|